351-353-346XP/G
-
GARTENTECHNIK
- Akku-Geräte
- Aspire
- Automower
- Blasgeräte & Laubsauger
-
Ersatzteile
-
für Automower
- Aspire R4
- 105 (ab 2016) P1
- 220 AC (ab 2007) P0
- 230 ACX (ab 2007) P0
- 265 ACX (ab 2010) P0
- 305 (bis 2011) P1
- 305 (ab 2020) P12
- 308 (ab 2013) P1
- 310 (ab 2015) P15
- 310 II (ab 2022) P12
- 310E NERA (ab 2024) P17
- 315 (ab 2015) P15
- 315X (ab 2018) P15
- 315 II (ab 2022) P12
- 320 (ab 2013) P2
- 320 NERA (ab 2023) P21
- 330X (ab 2013) P2
- 405X (ab 2021) P16
- 415X (ab 2021) P16
- 420 (ab 2016) P2
- 430X (ab 2016) P2
- 440 (ab 2017) P2
- 435X AWD (ab 2019) P25
- 450X (ab 2016) P2
- 450X Nera (ab 2025)
- für Blasgeräte
- für Bodenfräse
- für Ceora
- für Häcksler
- für Heckenschere
- für Hochdruckreiniger
- für Motorsägen
- für Motorsensen
- für Rasenmäher
- für Rasentraktoren
- für Rider
- für Trennschleifer
- Zündkerzen
-
für Automower
- Häcksler
- Heckenscheren
- Hochentaster
- Motorhacken
- Motorsägen
- Motorsensen & Trimmer
- Rasenmäher
- Rasentraktoren
- Reinigungsgeräte
- Schneefräsen
- Spielsachen
- Stromaggregat
- Trennschleifer
- Vertikutierer
-
Zubehör & Verschleißteile
- Betriebsstoffe Gartentechnik
- Gartenscheren
- für Automower
- für Blasgeräte
- für Balkenmäher & Einachsschlepper
- für Heckenscheren
- für Hochdruckreiniger
- für Industriesauger
- für Motorhacken
- für Motorsägen
- für Motorsensen & Trimmer
- für Rasenmäher
- für Rasentraktoren
- für Rider
- für Schneefräsen
- für Stampfer
- für Trennschleifer
- Kanister
- AKTIONEN Gartentechnik
- Gartentechnik-Service
- Husqvarna
- Gartentechnik-Blog
-
FORSTTECHNIK
- Brennholzsägen
-
Ersatzteile
- für Holzspalter
-
für Motorsägen
-
für Husqvarna
- 137-142
- 130-135 MARK II
- 135-435-435II-440
- 240
- 340-345-350
- 351-353-346XP/G
- 357XP/G-359
- 365SP-372XP/G
- 445-450
- 445-450II
- 535i 536Li T536Li T535i
- 543XP/G
- 545-550XP/G
- 545II-550XP/G MARK II
- 555-560XP/G-562XP/G
- 555-560XP/G-562XP/G MARK II
- 564XP-564XPG
- 565-572XP/G
- 576XP/G
- 3120
- T540XP 540XP I bis III
- Spezialwerkzeug Motorsägen
- für Partner
- für Stihl
-
für Husqvarna
- Forstbekleidung & Schutzausrüstung
- Hochentaster
- Holzspalter
- Motorsägen
- Sägekette & Führungsschienen
- Rückewagen Transport
- Seilwinden
- Zubehör & Verschleißteile
- AKTIONEN Forsttechnik
- Forsttechnik-Service
- Husqvarna
- RESTPOSTEN Forsttechnik
- Forsttechnik-Blog
-
LANDTECHNIK
-
E-BIKE
Produkte filtern
Produkte filtern
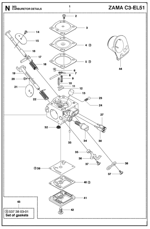
ANSAUGSTUTZEN 353 351 346
Ansaugstutzen Husqvarna 353 346
AUFKLEBER 346XP Ausf.A
Aufkleber 346XP ältere Ausführung mit eckigem Deckel und 4-kant Startergriff
AUFKLEBER Starter 346XP New Edition
Aufkleber für Starterdeckel Husqvarna 346XP New Edition
AUSLASSDICHTUNG
verbaut in Motorsäge: 346XP/G, 353/XP/G
Benzinschlauch
verbaut in Motorsäge: 346XP/G, 353/XP/G
BENZINSCHLAUCH Husqvarna
Husqvarna original Benzinschlauch verbaut in Motorsäge: 346XP/G, 353/XP/G, 365SP, 372/XP/G 550XP 543XP uvm.
BÜGEL F. LUFTFILTER
verbaut in Motorsäge: 346XP/G, 353/XP/G
CHOKEHEBEL 340-353 346XP
Chokehebel Original Husqvarna 340-353
DEKOMPRESSIONSVENTIL 346XP
verbaut in Motorsäge: 346XP/G, 353/XP/G
DICHTUNGSRING 15x 26x 4KWAD
verbaut in Motorsäge: 346XP/G, 353/XP/G
ERSATZRING 325-7 kl.
verbaut in Motorsäge: 346XP/G, 353/XP/Gfür 0.325" - 7T
FUSSDICHTUNG 353 346
verbaut in Motorsäge: 346XP/G, 353/XP/G
GRIFFROHR 340-346XP-353
verbaut in Motorsäge: 346XP, 353XP
GRIFFROHR GRIFFHEIZUNG 346XPG ->04499999
GRIFFROHR MIT GRIFFHEIZUNG UMRÜSTKIT für 346XPG mit noch alter Schalterversion vor Snr. 200450000001......(0450.....) zur Umrüstung auf Heizgriff mit neuer Schalterversion. neu = (Seitlich)
GRIFFROHR GRIFFHEIZUNG 353G 346XPG
Original Husqvarna Griff mit Griffheizung passend für Modell 346XPG, 353XPG neu Version ab Snr. 200450000001 für Ausführung mit Schalter Seitlich