420 (ab 2016) P2
-
GARTENTECHNIK
- Akku-Geräte
- Aspire
- Automower
- Blasgeräte & Laubsauger
-
Ersatzteile
-
für Automower
- Aspire R4
- 105 (ab 2016) P1
- 220 AC (ab 2007) P0
- 230 ACX (ab 2007) P0
- 265 ACX (ab 2010) P0
- 305 (bis 2011) P1
- 305 (ab 2020) P12
- 308 (ab 2013) P1
- 310 (ab 2015) P15
- 310 II (ab 2022) P12
- 310E NERA (ab 2024) P17
- 315 (ab 2015) P15
- 315X (ab 2018) P15
- 315 II (ab 2022) P12
- 320 (ab 2013) P2
- 320 NERA (ab 2023) P21
- 330X (ab 2013) P2
- 405X (ab 2021) P16
- 415X (ab 2021) P16
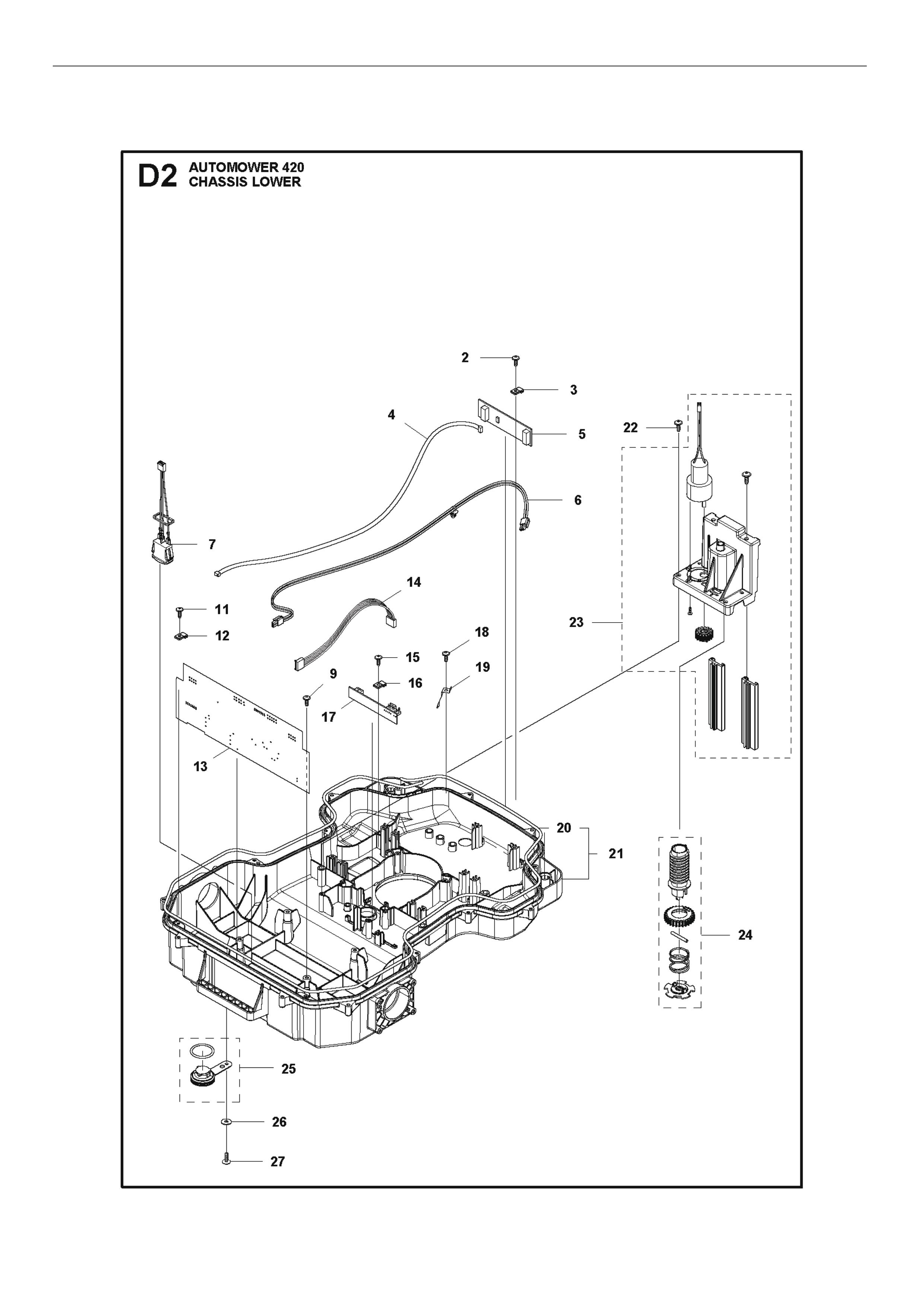
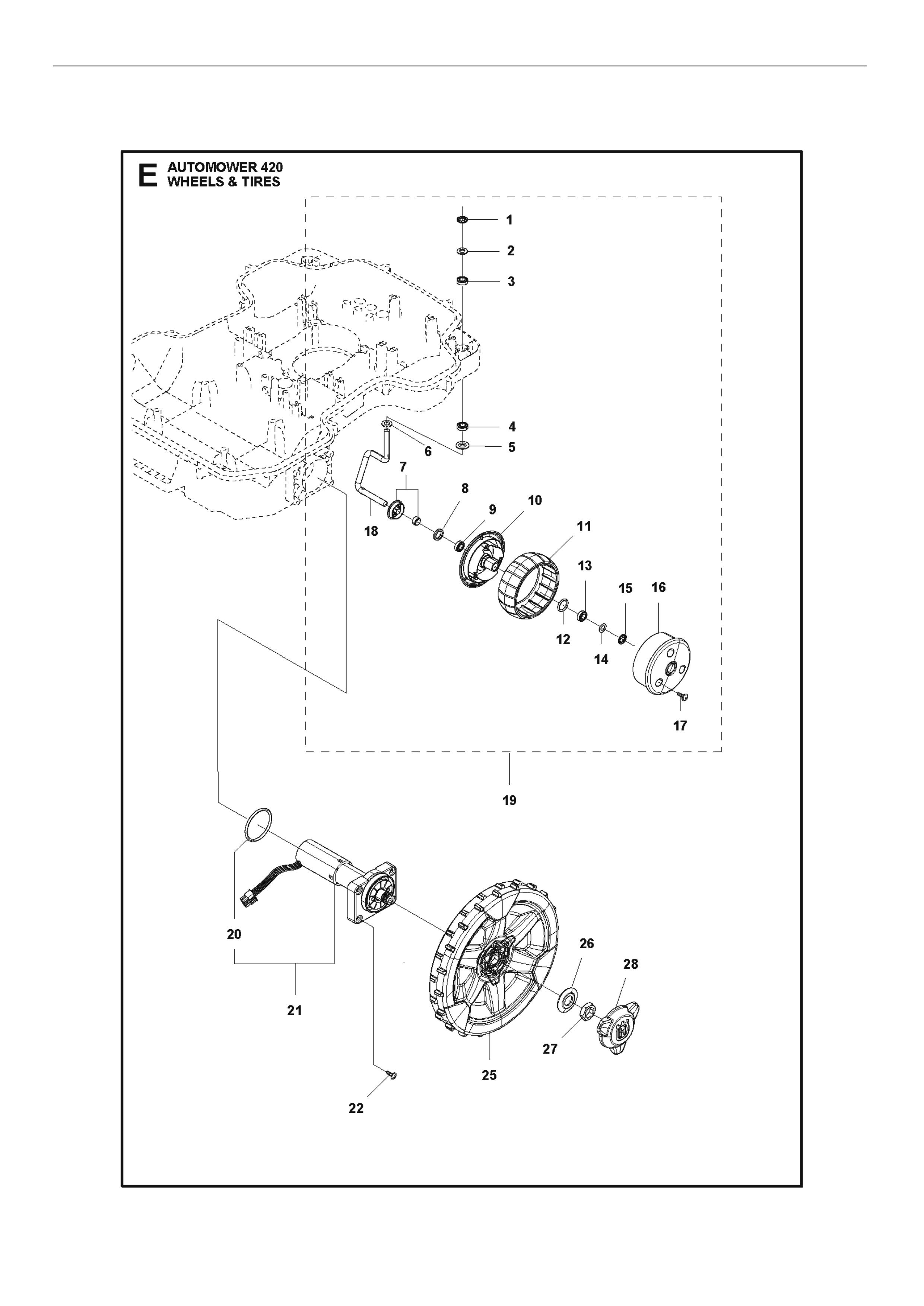
- 420 (ab 2016) P2
- 430X (ab 2016) P2
- 440 (ab 2017) P2
- 435X AWD (ab 2019) P25
- 450X (ab 2016) P2
- 450X Nera (ab 2025)
- für Blasgeräte
- für Bodenfräse
- für Ceora
- für Häcksler
- für Heckenschere
- für Hochdruckreiniger
- für Motorsägen
- für Motorsensen
- für Rasenmäher
- für Rasentraktoren
- für Rider
- für Trennschleifer
- Zündkerzen
-
für Automower
- Häcksler
- Heckenscheren
- Hochentaster
- Motorhacken
- Motorsägen
- Motorsensen & Trimmer
- Rasenmäher
- Rasentraktoren
- Reinigungsgeräte
- Schneefräsen
- Spielsachen
- Stromaggregat
- Trennschleifer
- Vertikutierer
-
Zubehör & Verschleißteile
- Betriebsstoffe Gartentechnik
- Gartenscheren
- für Automower
- für Blasgeräte
- für Balkenmäher & Einachsschlepper
- für Heckenscheren
- für Hochdruckreiniger
- für Industriesauger
- für Motorhacken
- für Motorsägen
- für Motorsensen & Trimmer
- für Rasenmäher
- für Rasentraktoren
- für Rider
- für Schneefräsen
- für Stampfer
- für Trennschleifer
- Kanister
- AKTIONEN Gartentechnik
- Gartentechnik-Service
- Husqvarna
- Gartentechnik-Blog
-
FORSTTECHNIK
-
LANDTECHNIK
-
E-BIKE
Produkte filtern
Produkte filtern
BATTERIE AUTOMOWER 420/320/330 UMBAUKIT
Akku Original Husqvarna für Automower 320 330 330X 420 520Umbaukit auf neue Einbauform
GEHÄUSEKIT AUTOMOWER 320/420/440
Husqvarna Gehäuse-Kit 581620406 – Austauschgehäuse für Automower® 420 & 440Das Husqvarna Gehäuse-Kit 581620406 ist ein originales Ersatzteil, speziell für die Mähroboter Automower® 420 und 440.Ersetzt Artikel :58162040-0158162040-0358162040-05
GLEITPLATTE
passend für:Automower 420 (bis Seriennummer 1945XXXXX)
GLEITPLATTE Ø211MM P2
passend für:Automower 420 (ab Seriennummer 1946XXXXX)
MESSERSCHEIBE 420/430/450 flach m.Schrau
Trennscheibe + Schraube inkl.Passend für:Automower 420/430/450 (für Modelle ab 2020)
MESSERSCHEIBE 420/430/450 Konusbef.
Passend für:Automower 420 (für Modelle von 2016 - 2019)