308 (ab 2013) P1
-
GARTENTECHNIK
- Akku-Geräte
- Aspire
- Automower
- Blasgeräte & Laubsauger
-
Ersatzteile
-
für Automower
- Aspire R4
- 105 (ab 2016) P1
- 220 AC (ab 2007) P0
- 230 ACX (ab 2007) P0
- 265 ACX (ab 2010) P0
- 305 (bis 2011) P1
- 305 (ab 2020) P12
- 308 (ab 2013) P1
- 310 (ab 2015) P15
- 310 II (ab 2022) P12
- 310E NERA (ab 2024) P17
- 315 (ab 2015) P15
- 315X (ab 2018) P15
- 315 II (ab 2022) P12
- 320 (ab 2013) P2
- 320 NERA (ab 2023) P21
- 330X (ab 2013) P2
- 405X (ab 2021) P16
- 415X (ab 2021) P16
- 420 (ab 2016) P2
- 430X (ab 2016) P2
- 440 (ab 2017) P2
- 435X AWD (ab 2019) P25
- 450X (ab 2016) P2
- 450X Nera (ab 2025)
- für Blasgeräte
- für Bodenfräse
- für Ceora
- für Häcksler
- für Heckenschere
- für Hochdruckreiniger
- für Motorsägen
- für Motorsensen
- für Rasenmäher
- für Rasentraktoren
- für Rider
- für Trennschleifer
- Zündkerzen
-
für Automower
- Häcksler
- Heckenscheren
- Hochentaster
- Motorhacken
- Motorsägen
- Motorsensen & Trimmer
- Rasenmäher
- Rasentraktoren
- Reinigungsgeräte
- Schneefräsen
- Spielsachen
- Stromaggregat
- Trennschleifer
- Vertikutierer
-
Zubehör & Verschleißteile
- Betriebsstoffe Gartentechnik
- Gartenscheren
- für Automower
- für Blasgeräte
- für Balkenmäher & Einachsschlepper
- für Heckenscheren
- für Hochdruckreiniger
- für Industriesauger
- für Motorhacken
- für Motorsägen
- für Motorsensen & Trimmer
- für Rasenmäher
- für Rasentraktoren
- für Rider
- für Schneefräsen
- für Stampfer
- für Trennschleifer
- Kanister
- AKTIONEN Gartentechnik
- Gartentechnik-Service
- Husqvarna
- Gartentechnik-Blog
-
FORSTTECHNIK
-
LANDTECHNIK
-
E-BIKE
Produkte filtern
Produkte filtern
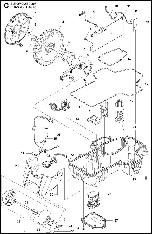
ANTRIEBSRAD AM105,305,308,R38-R80Li
Rad für Automower Original Husqvarna
HINTERRAD KIT KOMPL.105/305/308
Hinterradkit für Husqvarna Automower P1105, 305, 308 R38 R40 R45 R50 R70 R80
MESSERMOTOR AUTOMOWER 105 305 308
Messermotor original Husqvarna für Automower 1200R105305 von 2011-2015 3-Rad Modelle308
MESSERSCHEIBE 308 3Rad
Messerscheibe Husqvarna Automower 308 3Rad Version
NIEDERSPANNUNGSKABEL 10M 21,6V AM308
Husqvarna Niederspannungskabel 10m zwischen Trafo und Ladestation mit ovalem Steckerpasst für:Automower 305 2011-2015Automower 308GardenaR38/40/45/50/70/80LI
PLATINE MMI 105/305/308
Bitte beachten Sie beim Kauf der Platine, muss von einem Husqvarna Händler vor Ort die Software bespielt werden.